几款胆前级电路及制作
近几年,胆机又逐渐被人们认可和接受,在发烧圈也掀起了一股胆机制作热潮。而在胆机中,胆前级因线路简单,调试容易,因而制作成功率相对较高。由于发烧友大多数已拥有性能不错的晶体管后级,搭配一台极品胆前级,可以帮助你迅速进入发烧境界。“前胆后石”组合或许更适合大多数发烧友的口味。这里推荐几款极品胆前级电路供发烧友参考。以下电路均为双声道设计,仅给出一个声道的主体电路,另一声道图略。
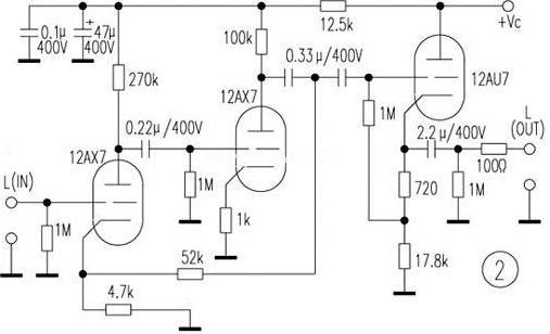
1.马碲斯胆前级
原理图如图1所示。该线路仿英国马碲斯“Reference”电子管前级,马碲斯胆前级是以其卓而不群的设计观念,至纯至真一尘不染的透明音质闻名于世。其线路是胆前级中性价比较高,也是最易装配的一种。其用12AX7与12AT7作两级放大,具有输出电流大、全频表现平均、分析力高、音质感强等特点。
发烧友还可采用并管的方法来摩此电路(可参考后面介绍的JADIS电路),这时左右声道各用一只12AX7与12AT7放大(外围电阻稍作调整),其声道分离度更高,音色更美。
2.改进型马兰士7胆前级
原理如图2所示。该线路用12AX7作两级放大,后接12AU7阴级跟随器作为信号缓冲。众所周知,马兰士7胆前级以其中频甜美而著称。但其分析力及高低频延伸度欠佳。针对传统马兰士7胆前级的不足,对耦合电容容量的选取以及负反馈环路的选取作了一些调整。改进后的马兰士7胆前级,高、低频重放有了一定的延伸度和力度感,但中频更佳。该胆前级最适合听人声与弦乐。
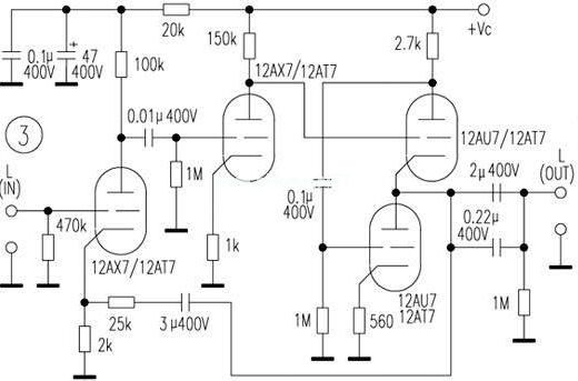
3.和田茂氏胆前级
原理图如图3所示。针对传统马兰士7电路的一些不足,日本人和田茂在马兰士7电路基础上进行改进,改进后的电路称之为和田茂氏电路。其主要特点是用SRPP电路代替了马兰士7电路的阴极跟随器。由于SRPP输出级并没有任何电压放大作用,只是作为一个缓冲级使用,比起普通的阴极输出器来说其驱动负载能力更强。在音色方面,它保持了马兰士7线路中频甜润的特色,其分析力与高、低频响应比马兰士7较佳,信噪比相对较高,该电路所用的电子管也可全部改用12AT7。

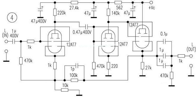
4.JADIS胆前级
原理图如图4所示。该线路取自法国“JADIS JP2000”旗舰前级经典线路。其采用12AT7作两级电压放大,并用12AT7作阴极输出。使前后级阻抗能很好地匹配,并提高负载能力。为了得到较大的输出电流和较低的输出阻抗,该电路将双三极管并联使用,这也是其特点之一,其音质醇和通透,比马兰士7更具有浓烈的音乐味,高频与低频也明显胜于马兰士7,最适合欣赏古典音乐。
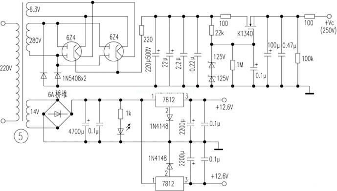
图5是一款简单易制、性能出众的胆机稳压电源。该线路结合了电子管与晶体管的特点,取长补短,同时也降低了电源变压器的工艺要求。高压采用日立场效应管稳压,灯丝采用直流+12.6V供电可进一步降低整机噪声,以上胆前级除改进型马兰士7外(该板为胆整流、胆稳压、主板、电源一体化大板双面镀金设计)均可与该电源板搭配使用。

对胆机制作,一些发烧友特别推崇搭棚焊接法。但对初学者而言,成功率不高,噪声较难处理,且纯手工制作,产量不大,不适合批量生产。笔者认为:胆机要想得到普及,应走与线路板装配生产相结合之路。笔者使用的线路板由专业线路板厂家制作,主板为加厚双面孔化镀金玻璃纤维板,而电源板为单面玻璃纤维板,便于摩机。板上印字清晰,只要稍懂无线电基础知识,哪怕你从未装配过胆机,按印板所标数值装配,确保你一次装配成功,所装整机的性噪比均达到或超过搭棚焊接的同类产品。夜深人静时把音量旋至最大,耳贴近音箱仅听到轻微的胆管本底热噪声。
俗话说:“好马配金鞍”。胆机制作中,元器件的选取也至关重要,为确保质量,建议均采用全新器件制作。笔者使用厂家提供的套件,电子管为国产出口型产品,电阻为2W、3W美国电阻,如DALE电阻、AB碳阻等。而电容4.7μF/400V以下则选用音乐味浓的法国苏伦大SMKP电容,电解则选用ELNA、ERO、SAMWHA、Rubycon等品牌。变压器则有A级材料制作的100WE型和R型两种规格可供发烧友选择。对于相关部件如音源选择、音量控制,也有多种方案可供选择,如继电器音源切换,手动音量控制板、顶级音量遥控板(继电器切换不同阻值的光敏电阻),镀金输入、输出端子、豪华机箱等,这样组装的整机,无论音质或外观都毫不逊色于一些高品机,改变了“土炮”产品登不了大雅之堂的局面。
装配时,参考原理图,采用含银量较高的优质焊锡丝把所有元件焊在线路板上(包括电子管管座)装好主板及电源板,用万用表测量电源板输出直流高压应在+250V左右,灯丝电压应在+12.6V,若电压正常,检查主板元件装配无误后,即可装好主板电子管,连接好电源线及输入输出插座即可试音。若试音正常后,即可把所有器件安装到胆前级机箱内。整机组装完成后,就可以慢慢品味发烧胆机的醉人音色!
- 刊登此文只为传递信息,并不表示赞同或者反对作者观点。
- 如果此内容给您造成了负面影响或者损失,本站不承担任何责任。
- 如果内容涉及版权问题,请及时与我们取得联系。

文章评论